전기 관련 자격증 중에 취득하기 가장 어려운 것은 발송배전 및 건축전기 기술사입니다.
기술사 문제 중에서 CT의 2차 측 개방 시 현상입니다.
이 현상을 등가회로와 벡터도를 활용하여 설명하겠습니다.
CT 2차 측 개방 시 현상
CT 2차 측 개방 시 현상을 등가회로 및 벡터도를 활용하여 설명해 보도록 하겠습니다.
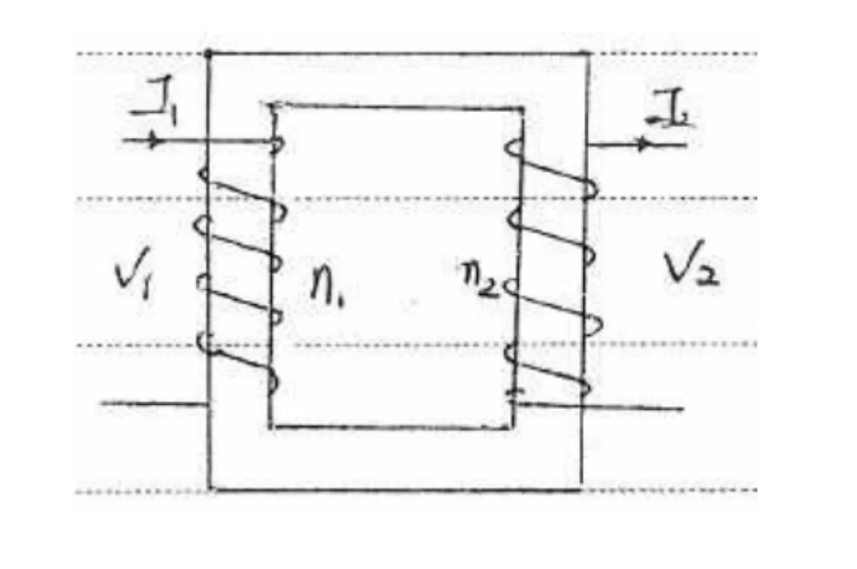
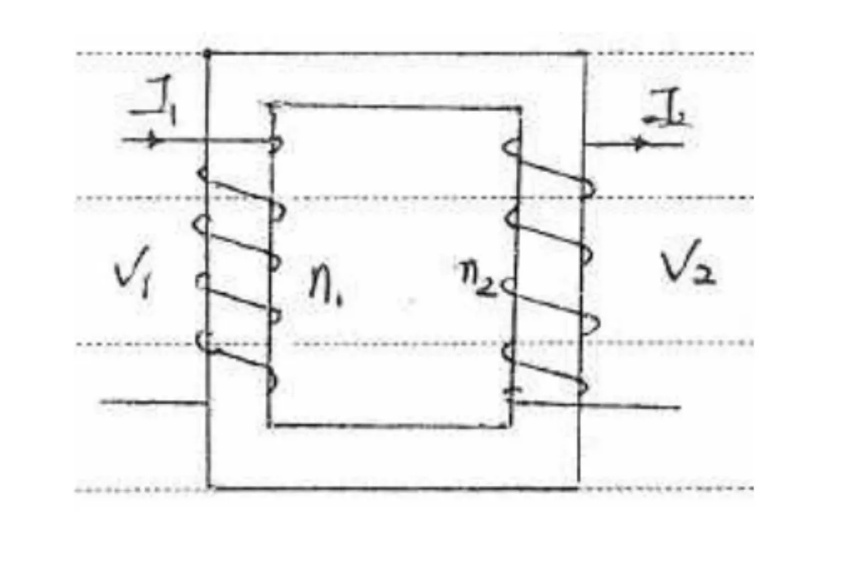
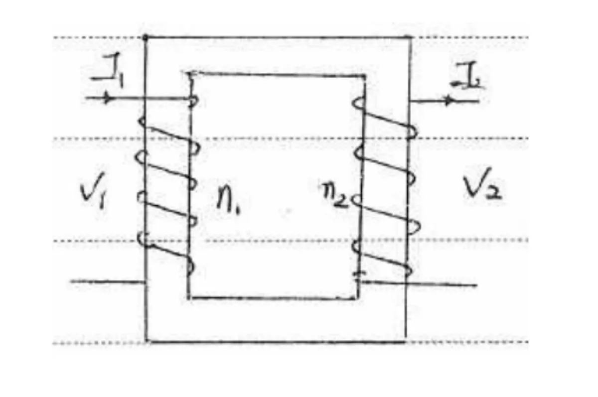
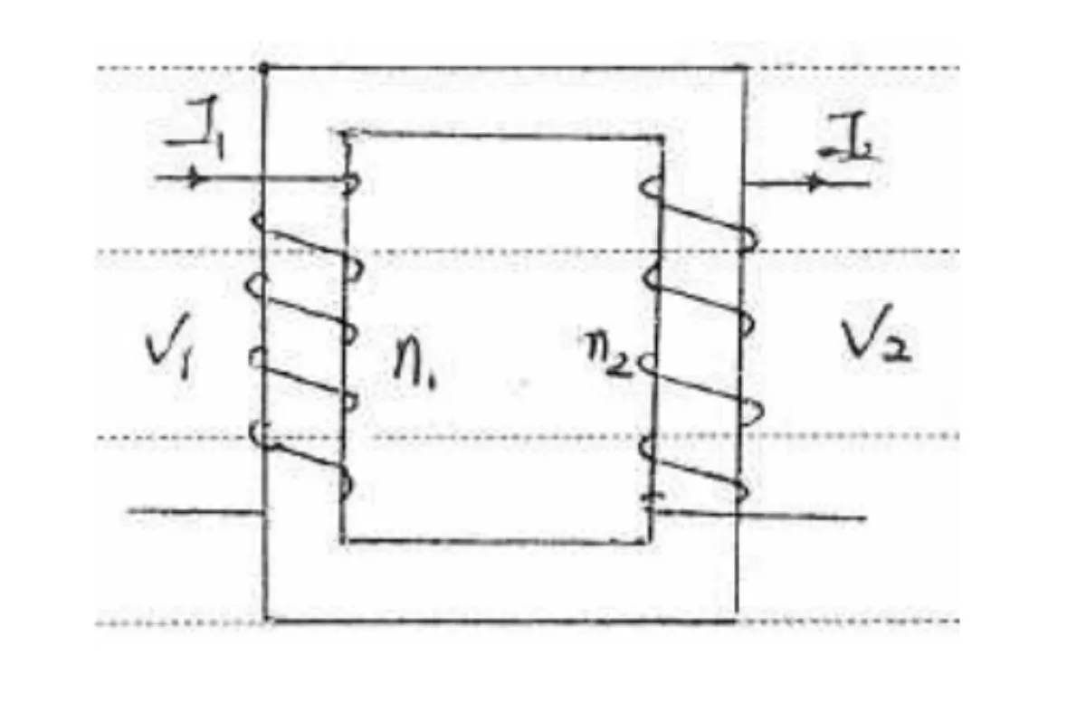
1. 변류기의 동작원리
① 구성 : 1차 권선, 2차 권선
② 1차 전류를 매개로 하여 이것에 비례하는 2차 전류(5, 1 [A])로 변성
③ 1차 전류와 2차 전류의 비
- 권수비 : $a= \frac{n_{1}}{n_{2}}= \frac{V_{1}}{V_{2}}= \frac{I_{1}}{I_{2}}$, 권선비 a에 반비례

2. CT 2차 개방 시 현상
① CT 등가회로
- $I_{1}, I_{2}$ : 1차, 2차 전류
- $I_{e}, I_{c}, I_{m}$ : 여자전류, 철손전류, 자화전류
- $E_{1}, E_{2}$ : 1차, 2차 유기전압
- $E_{b}$ : 2차 단자전압
- $R_{1}, X_{1}$ : 1차 권선의 저항, 누설 리액턴스
- $R_{2}, X_{2}$ : 2차 권선의 저항, 누설 리액턴스
- $R_{e}, X_{e}$ : 철심의 철손저항 및 여자리액턴스
- $R_{b}, X_{b}$ : 2차 부담의 저항, 누설 리액턴스

② CT 등가회로상 2차 개로시 현상
(1) 2차 개로시 $R_{b}, X_{b}$가 무한대로 되어 1차 전류 $I_{1}$은 계속 흐르고 2차 전류 $I_{2}$는 없으므로, $I_{1}$은 모두 여자전류 $I_{e}$가 되어 철심이 과도하게 여자 되고 포화에 의한 한도까지 고전압이 유기됩니다.
(2) 2차 측 임피던스가 무한히 커지므로 2차 전압 $E_{2}$가 철심 포화 시까지 $Z_{b} = R_{b} + jX_{b}$에 비례하여 커지게 됩니다.

3. CT 2차를 운전 중에 개방하면 안 되는 이유
① 2차 개방 시는 $a= \frac{V_{1}}{V_{2}}= \frac{I_{1}}{I_{2}}$에서 $V_{2} = \frac{I_{1}}{I_{2}}V_{1}$이 됩니다.
② 개방 시 $I_{2} = 0$이므로, ∴ $V_{2} = \frac{I_{1}}{0} × V_{1} = ∞$로 됩니다.
③ CT 2차 측을 개방한 상태에서 1차 전류를 통전하면, 2차 단자 간에 고전압이 발생하여 2차 회로의 절연파괴가 우려됩니다.
④ 철손 증대로 인하여 과열이 발생하므로 운전 중에 CT는 2차 측을 개방하면 안 되며, 2차 측 부하(부담)가 없을 때는 단락 시켜야 합니다.
4. CT 2차 측 개방 방지 대책
① CT 단자의 볼트를 주기적으로 조여줍니다.
② Hook on Meter를 이용하여 CT 2차 측 전류의 이상유무를 확인합니다.
③ CT 회로 시험 후에는 반드시 오결선 여부를 확인합니다.
④ 활선 상태에서 계측기용 CT 2차 회로를 작업하는 경우 단락 후 시행합니다.
⑤ CT 회로를 작업해야 할 경우 가능한 한 정전(휴전) 상태에서 시행합니다.
2024.08.07 - [전기/실무] - 리클로저(R/C) 순시와 지연의 장점 및 단점 | 선로용 Fuse와 협조
리클로저(R/C) 순시와 지연의 장점 및 단점 | 선로용 Fuse와 협조
배전선로 보호설비에는 리클로저(R/C), 컷아웃스위치(COS), Line Fuse 등이 있습니다.리클로저는 단시간내에 일시적인 고장을 차단하는 기능을 가지고 있습니다.리클로저를 순시와 지연으로 사용하
lifeinfo5.com
'전기 > 자격증' 카테고리의 다른 글
| 발송배전 및 건축전기 기술사 문제 | 발전소 및 변전소 전압 유지 (0) | 2024.11.19 |
|---|---|
| 발송배전 및 건축전기 기술사 문제 | 가변교류송전시스템(FACTS) (1) | 2024.08.27 |
| 발송배전 및 건축전기 기술사 문제 | 회로이론, 계기용 변압기 공진회로 (0) | 2024.07.10 |
| 발송배전 및 건축전기 기술사 문제 | CT의 Knee Point Voltage (2) | 2024.06.25 |
| 발송배전 및 건축전기 기술사 문제 | CT의 과전류 정수와 과전류 강도 (0) | 2024.05.08 |
댓글