반응형
    
    
    
  전기기사 및 전기공사기사를 취득한 이후, 실무경험을 충족하면 발송배전 기술사 시험 자격이 주어집니다.
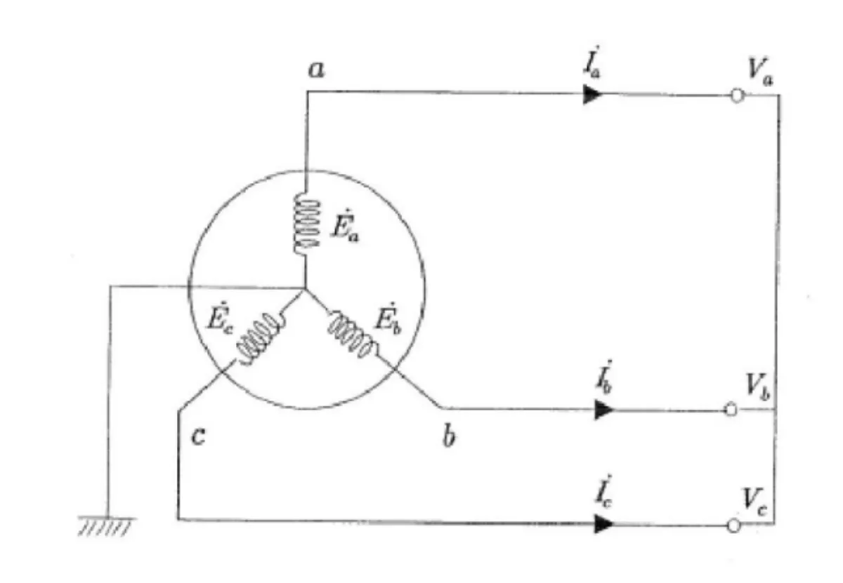
이번 글에서는 3상 단락시 건전상의 전압과 고장전류를 구해보겠습니다.
발전기 기본식을 활용해 보도록 하겠습니다.
1. 건전상 전압과 고장전류 계산
건전상의 전압과 고장전류 계산을 위한 조건을 살펴보겠습니다.

1. 무부하 상태인 발전기의 3상이 단락 된 경우
2. 기지량과 미지량
- 기지량(전압) : $ V_{a} , V_{b}, V_{c} $
 - 미지량(전류) : $ I_{a} , I_{b}, I_{c} $
 
3. 계산조건
- $ V_{a}=V_{b}=V_{c} $
 - $ I_{a} + I_{b} + I_{c} = 0 $
 
첫 번째로 대칭분 성분을 구합니다.
대칭분 전압
- $ V_{0}= V_{1}= V_{2} $ (∵ $ V_{a}=V_{b}=V_{c} $)
 
대칭분 전류
- $ I_{0}= I_{a} + I_{b} + I_{c} = 0 $
 
다음으로 알아볼 것은 발전기 기본식입니다.
- $V_{0}= -Z_{0} I_{0} = 0$ (∵$I_{0} = 0 $) → ∴ $V_{0} = V_{1} = V_{2} = 0$
 - $V_{1} = E_{a} - Z_{1}I_{1} = 0$ → $I_{1} = \frac{E_{a}}{Z_{1}} $
 - $V_{2} = - Z_{2}I_{2} = 0$ → $I_{2} = 0$
 
이를 대입하여 $I_{a}$, $I_{b}$, $I_{c}$ 를 구하면 다음과 같습니다.
- $I_{a} = I_{0} + I_{1} + I_{2} = \frac{E_{a}}{Z_{1}}$
 - $I_{b} = I_{0} + a^{2} I_{1} + aI_{2}$ = $ \frac { a^{2} E_{a}}{Z_{1}}$ = $\frac{E_{b}}{Z_{1}}$
 - $I_{c} = I_{0} + a I_{1} + a^{2} I_{2}$ = $\frac{aE_{a} }{ Z_{1}} $ = $\frac{ E_{c} }{ Z_{1} } $
 
지금까지 3상 단락시의 건전상의 전압과 고장전류를 발전기 기본식을 이용하여 구해보았습니다.
반응형
    
    
    
  '전기 > 자격증' 카테고리의 다른 글
| 발송배전 및 건축전기 기술사 문제 | CT의 Knee Point Voltage (2) | 2024.06.25 | 
|---|---|
| 발송배전 및 건축전기 기술사 문제 | CT의 과전류 정수와 과전류 강도 (0) | 2024.05.08 | 
| 발송배전 및 건축전기 기술사 문제 풀이 | 4단자 정수 (0) | 2024.03.12 | 
| 발송배전 및 건축전기 기술사 문제 풀이 | 연선의 연입률 (0) | 2024.02.23 | 
| 부하의 역률 계산문제 해설 | 병렬 저항 추가 (0) | 2024.01.17 | 
			
			
				
			
댓글